![]() |
|
|
|
|
|
|
|
|
|
| 通知公告: |
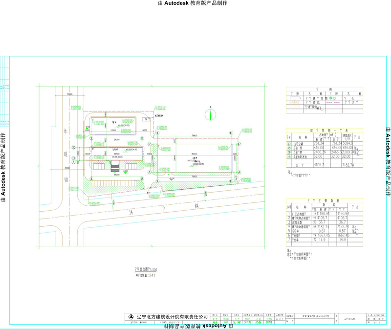
沈阳亿赢嘉环保节能设备有限公司“厂房、办公楼、消防水池”建设项目总平面规划方案批前公示
经沈阳市规划和国土资源局于洪分局建审科审核,拟批准沈阳亿赢嘉环保节能设备有限公司位于沈阳市于洪区于洪街道洪汇路220-3号的“厂房、办公楼、消防水池”总平面规划方案,现对该项目总平面规划方案进行公示。
公示内容如下:
公示日期:2013年07月17日—2013年 07月30日(10个工作日)
公示反映方式:在公示期间,有关单位或个人对该项目审批有任何意见或建议的,可通过以下方式反映:
1. 联系电话: 024-25315978
2. 传真:024-25300297 (请注明“规划公示”字样)
3. 信件寄往“沈阳市于洪区沈大路63号 沈阳市规划和国土资源局于洪分局建审科”收(请注明“规划公示”字样),邮编:110141。
沈阳市规划和国土资源局于洪分局
2013年07月17日
![]() | |||||||||||||||||||||||||||||||||||||
| 友情链接: |
|
|
|
|



