![]() |
|
|
|
|
|
|
|
|
|
| 通知公告: |
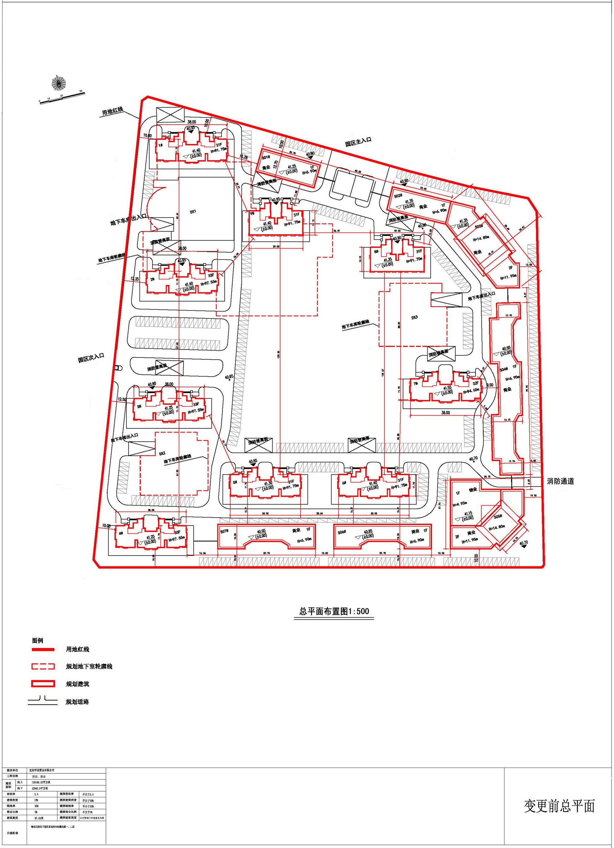
沈阳华远置业有限公司位于东陵区DL-1181号SHN05-01-23号地块的居住、商业项目规划方案变更批前公示
经沈阳市规划和国土资源局浑南分局规划科审核,拟批准沈阳华远置业有限公司位于东陵区DL-1181号SHN02-01-23号地块的居住、商业项目规划方案变更,现对该项目总平面规划方案进行公示。 公示内容如下: 1、该图仅为示意图,以最终审批为准。 2、公示及收集意见日期:2018年1月8日——2018年1月19日(10个工作日) 3、利益相关人可在公示有效期内通过以下途径咨询或提出意见: ①咨询电话:024-24820955; ②信函请邮寄至:沈阳市浑南新区世纪路15号沈阳市规划和国土资源局浑南分局规划科(以邮戳日期为准) 邮编:110179; 4、反馈意见请注明联系人真实姓名、电话、地址等信息;如因信息不完整或不真实导致无法核对相关情况的,视为无效意见。 5、本方案涉及的利益相关人依法享有听证权,如需听证请在公示期内提出申请;在接到申请并审核后,我局将在15个工作日内组织听证会。
沈阳市规划和国土资源局浑南分局 2018年1月5日
| |||||||||||||||||||||||||||||||||||||||||||||
| 友情链接: |
|
|
|
|



